| 序号 | 项目 | 名称 | 备注 |
| 1 | 设备名称 | 燃气调压柜 | |
| 2 | 设备编号 | ||
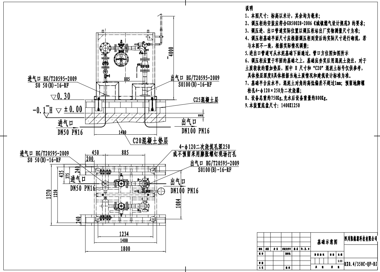
| 3 | 设备型号 | RX0.4/350C-QF | |
| 4 | 进口压力 | 0.1-0.4 | MPa |
| 5 | 进/出设计压力 | 0.6Mpa/20Kpa | |
| 6 | 出口压力 | 6 | KPa(可调) |
| 7 | 进/出口径 | DN50/DN100 | |
| 8 | 额定流量 | 350 | Nm3/h |
| 9 | 准确度 | AC15 | |
| 10 | 适用介质 | 天然气 | |
| 11 | 输入输出信号 | -- | |
| 12 | 压力等级 | -- | |
| 13 | 主要材质 | GB/T8163 | |
| 14 | 公称通径 | -- | |
| 15 | 介质流向 | 左进右出 | |
| 16 | 防爆等级/防护等级 | ExdIIBT4/IP65 | |
| 17 | 出厂日期 | ||
| 18 | 出厂编号 | TYG22021 |
